CE 338 Course Project 2023
Fall
Course Project: 8-Bit SAR ADC
Name: Vann Montoya
Email: bvmontoya@fortlewis.edu
8-Bit SAR ADC
Introduction
The purpose of this project is to recreate the 8-Bit SAR ADC made in LTSpice and convert it over to VSLIElectic.
Materials and Methods
VSLIElectic
Results
The first part of this project is to recreate the SAR block.

Figure 1: SAR Block that was created in LTSpice.
To do this, I created the 3-Input AND Logic required for the DFF TI.

Figure 2: 3-Bit NAND Logic Gate Schematic and Icon Created in VSLIElectric.
Now, that the 3-Input NAND gate was created, I can begin on making the DFF TI Set/Reset Block.

Figure 3: DFF TI Set/Reset Schematic and Icon Created in VSLIElectric.
Almost done creating all the components we need for the SAR Block.
Lastly, we want to create a buffer for in between the DFF TI Blocks.

Figure 4: Buffer Schematic and Icon Created in VSLIElectric.
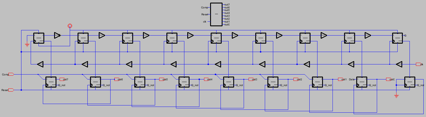
Lastly, we can created the SAR Block using the DFF TI Symbols.

Figure 5: SAR Schematic and Icon Created in VSLIElectric.
Discussion